唐人阁江苏九品trg9

產物中間

點石成金,芯系山東省
以后地位:首頁>產物中間

LYF78LXX 高壓差線性穩壓器

供貨狀況:量產
閱讀次數:1403
產物范例:Other
產物封裝:SOT89-3L
產物價錢:¥征詢發賣職員
產物概況

3-TERMINALS POSITIVE VOLTAGE REGULATOR SERIES

1、Description

The LYF78LXX series of fixed voltage monolithicintegrated circuit voltage regulators are suitablefor applications that required supply up to100mA.


2、Features

  • Maximum output current of 100mA
  • Output voltage of 5V, 6V, 8V, 9V, 10V,12V,15V and 24V
  • Thermal overload protection
  • Short circuit current limiting


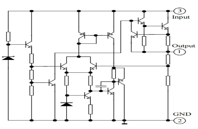
3、Equivalent Circuit4、Pin Configuration

78LXXa.jpg

78LXXb.jpg
3、Typical Application Circuit
78LXXc.jpg


上一篇:PL5802B 限流開關

下一篇:PL86051 60V5A同步降壓轉換器

采辦樣品

采辦樣品

微信掃一掃

微信接洽
前往頂部